Предлагаем к поставке трансформаторы тока Т-0,66 и ТШП-0,66 производства ОАО «Армавирский электротехнический завод».

Трансформаторы тока применяются для передачи сигнала измерительной информации измерительным приборам в установках переменного тока частоты 50 Гц с номинальным напряжением до 0,66 кВ включительно.
Трансформаторы тока изготавливаются климатического исполнения "У3".
Условия работы:
Трансформатор состоит из магнитопровода с первичной и вторичной обмотками, разделенных изоляцией и размещенных в корпусе из термопласта.
Трансформаторы тока имеют дополнительный вывод от первичной обмотки для присвоения приборов учета электрической энергии с целью предотвращения хищений электроэнергии, а также крышку, закрывающую выводы и позволяющую установить контрольную пломбу.
Конструкция трансформатора исключает несанкционированный доступ к контактам вторичной обмотки после опломбирования крышки трансформатора органами Энергонадзора. Трансформаторы поставляются с поверкой и имеют пломбу ЦСМ.
Трансформатор крепится к заземленным конструкциям изделий потребителей с помощью основания.
Mежповерочный интервал 8 лет.
| Тип | Класс точности | Номинальный первичный ток, А | Номинальный вторичный ток, А | Номинальный коэффициент безопасности приборов | Масса не более, кг |
| Т-0,66 | 0,5 | 5, 10, 15, 30, 40, 50, 75, 100, 150, 200, 300, 400 | 5 | 4, 4, 5, 5, 5, 4, 4, 5, 4, 6, 4, 7, 7 | 0,7 |
| Т-0,66 | 0,5S | 50, 75, 100, 150, 200, 300, 400 | 5 | 6, 6, 6, 6, 6, 6, 7 | 0,8 |
| Т-0,66М | 0,5 / 0,5S | 200, 300, 400 | 5 | 6, 6, 7 | 1,1 |
| ТШП-0,66 | 0,5 | 500, 600, 750, 800 | 5 | 6, 6,3, 7, 7 | 1,3 |
| ТШП-0,66 | 0,5S | 500, 600, 750, 800 | 5 | 6, 6,3, 7, 7 | 1,3 |
| ТШП-0,66 | 0,5 / 0,5S | 1000, 1200, 1500 | 5 | 2,7, 3, 3,3 | 1,3 |
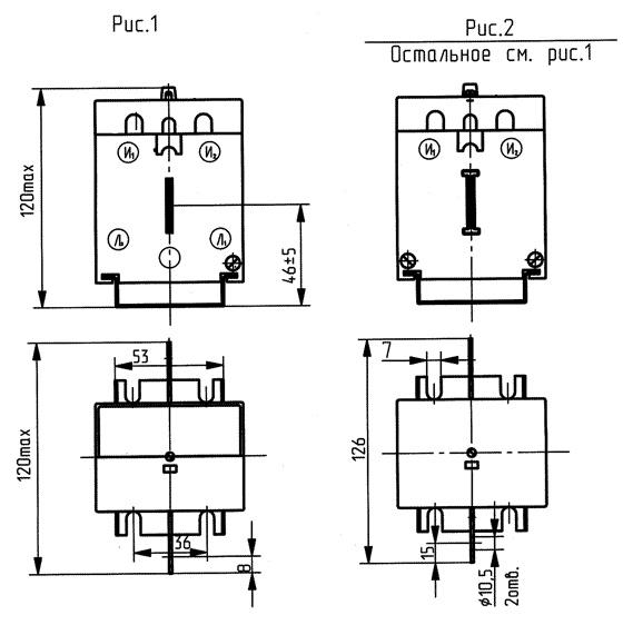
Габаритный чертеж трансформатора тока Т-0,66

Габаритный чертеж трансформатора тока Т-0,66М

Габаритный чертеж трансформатора тока ТШП-0,66 (500, 600, 750, 800А)

Габаритный чертеж трансформатора тока ТШП-0,66(1000,1200,1500А)
